Projektujemy nowoczesne i energooszczędne instalacje sanitarne oraz wentylacyjne, zapewniające komfort, higienę i efektywność budynków. Nasze rozwiązania spełniają najwyższe normy i są dostosowane do specyfiki inwestycji. Optymalizujemy zużycie wody, redukujemy straty ciepła i dbamy o jakość powietrza, stosując innowacyjne technologie i inteligentne systemy zarządzania. Dzięki precyzyjnym analizom i modelowaniu BIM minimalizujemy błędy projektowe oraz optymalizujemy koszty eksploatacji.

Kompleksowe projektowanie instalacji sanitarnych (HVAC)
Obiekty kubaturowe
wodno-kanalizacyjnych
c.o.
wentylacja
klimatyzacja
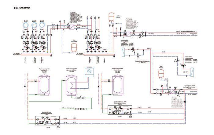
kotłownie gazowe i hybrydowe źródła ciepła
weryfikacja kolizji, otworowanie, optymalizacja wykorzystania powierzchni i przestrzeni instalacyjnych, dobór systemów instalacyjnych: projektowanie pod wymogi LEED i innych certyfikacji, kompletne projektowanie w modelu BIM, przedmiary, nadzór autorski, wsparcie w procedurach odbiorowych
Sieci i przyłącza
wodne
sanitarne
deszczowe (koncepcje zagospodarowania terenu, dobór systemów retencjonowania wód opadowych, projekty budowlano-wykonawcze z kompletem uzgodnień)
Analizy energetyczne
Analiza spełniania wymagań przepisów Prawa Budowlanego
Spełnienie wymagań EP
Obliczenia izolacyjności przegród
Dobór systemów izolacji
Dobór urządzeń HVAC
Obliczenia optymalizacyjno-porównawcze rozwiązań energetycznych
Porównanie kosztów alternatywnych rozwiązań — kosztów inwestycji na start oraz kosztów eksploatacji
Weryfikacja możliwości stosowania różnych systemów
Optymalizacja dokumentacji
Kompleksowe sprawdzanie dokumentacji pod względem
merytorycznym
optymalizacji rozwiązań
przeciwpożarowym
wymagań przepisów techniczno-budowlanych
wymagań przepisów techniczno-budowlanych
koordynacji międzybranżowej
redukcji kosztów budowy
analizy ryzyk
POWIĄZANE PROJEKTY

Browary Wrocławskie
Powierzchnia terenu
3,9 ha
Powierzchnia całkowita
99 017 m²
Powierzchnia użytkowa PUM
48 546 m²
Liczba lokali mieszkaniowych i usługowych
831
Liczba kondygnacji naziemnych
III-XVIII

Olimpia Port
Powierzchnia terenu zagospodarowanego w ramach MPZP
35 ha
Powierzchnia terenu przeznaczona pod zabudowę mieszkaniową
20,84 ha
Powierzchnia całkowita
273 500 m²
Powierzchnia użytkowa PUM
169 800 m²
Liczba lokali mieszkaniowych i usługowych
2976
LIczba kondygnacji naziemnych
IV-VI

Uniwersytet Przyrodniczy
Powierzchnia terenu
0.66 h
Powierzchnia całkowita
14 748 m²
Powierzchnia jednego piętra
2 495 m²
Liczba kondygnacji naziemnych
VI
ZAPRASZAMY DO KONTAKTU
Treść formularza zostanie dostarczona do działu zajmującego się wybraną usługą.
Rafał Grabarczyk
Projektant instalacji sanitarnych
rafal.grabarczyk@srdkstudio.com
Projektowanie Instalacji Sanitarnych
W SRDK STUDIO łączymy wieloletnie doświadczenie w profesjonalnym projektowaniu instalacji sanitarnych z wiedzą biznesową. Jako dawny deweloper wiemy, na co zwracać uwagę, aby optymalizować rentowność inwestycji w czasie budowy i podczas eksploatacji, obejmujących zarówno instalacje wodno-kanalizacyjne, jak i instalacje wentylacyjne, grzewcze oraz systemy wody lodowej. Jako projektanci instalacji sanitarnych zapewniamy niezawodność oraz terminowość realizacji każdego zlecenia – od koncepcji po ostateczne uzgodnienia. Nasze instalacje sanitarne cechują się wysoką jakością usług, profesjonalizmem oraz pozytywnymi opiniami klientów. Dbamy o pełne zaangażowanie i rzetelność w branży sanitarnej, tak aby każde projektowanie instalacji w osiedlach wielkoskalowych typu mixed use spełniało wymagania wszystkich inwestorów, uwzględniając komfort użytkowników oraz docelowe przeznaczenie budynków wielorodzinnych, obiektów biurowych, hoteli czy apart hoteli.
W zakresie projektowania sieci sanitarnych i projektów instalacji (w tym projektów instalacji sanitarnych, elektrycznych czy grzewczych) zawsze kierujemy się obowiązującymi normami i przepisami. Dzięki temu nasza oferta gwarantuje profesjonalizm, utrzymanie najwyższej jakości oraz długofalową korzyść z inwestycji.
Współpracujemy z klientami na każdym etapie realizacji projektu instalacji – począwszy od audytów istniejącej infrastruktury i przyłącza, przez przygotowanie projektów i zapytania ofertowe, aż po wdrożenie i wsparcie w dalszym utrzymaniu obiektu. Nasze biuro jest w stanie w pełni sprostać każdym wymaganiom, bez względu na specyfikę sieci czy rodzaj budynku.
Jeśli zależy Ci na kompleksowym i terminowym projektowaniu instalacji w osiedlach wielkoskalowych, obiektach biurowych, hotelach oraz apart hotelach, zapraszamy do współpracy z SRDK STUDIO. Dzięki naszemu pełnemu zaangażowaniu zadbamy o wygodę przyszłych użytkowników, dostosujemy rozwiązania do inwestycji i zapewnimy najwyższy standard i optymalizację kosztów inwestycji – tak, by każdy nasz projekt powstał z myślą o komforcie, bezpieczeństwie i rzetelnej realizacji zgodnie z założeniami projektu. Skontaktuj się z nami, a odpowiemy na wszystkie pytania i dopasujemy nasze usługi do Twoich potrzeb.
Co to jest projektowanie instalacji sanitarnych?
Projektowanie instalacji sanitarnych to złożony proces tworzenia dokumentacji technicznej dla różnorodnych systemów sanitarnych, takich jak instalacje wodno-kanalizacyjne, grzewcze, wentylacyjne i klimatyzacyjne. Wymaga on uwzględnienia wielu kluczowych czynników, w tym rodzaju budynku, liczby użytkowników, specyfiki instalacji oraz wymagań dotyczących bezpieczeństwa i higieny. Profesjonalne projektowanie instalacji sanitarnych zapewnia, że wszystkie systemy będą działać sprawnie i bezpiecznie, spełniając jednocześnie obowiązujące normy i przepisy.
Rodzaje instalacji sanitarnych
W branży sanitarnej wyróżniamy różne rodzaje instalacji, które wymagają specjalistycznej wiedzy i umiejętności. Do najważniejszych należą:
- Instalacje wodno-kanalizacyjne: Odpowiadają za dostarczanie wody oraz odprowadzanie ścieków.
- Instalacje grzewcze: Zapewniają odpowiednią temperaturę w budynkach.
- Instalacje wentylacyjne i klimatyzacyjne: Gwarantują właściwą cyrkulację powietrza i komfort termiczny.
- Instalacje gazowe: Służą do dostarczania gazu do urządzeń grzewczych i kuchennych.
- Instalacje elektryczne: Zapewniają zasilanie elektryczne w budynkach.
Każdy z tych systemów wymaga precyzyjnego projektowania, aby zapewnić ich prawidłowe funkcjonowanie i bezpieczeństwo użytkowników.
Dokumentacja projektowa w instalacjach sanitarnych
Dokumentacja projektowa w instalacjach sanitarnych odgrywa kluczową rolę w zapewnieniu prawidłowej eksploatacji i bezpieczeństwa systemów. Powinna zawierać szczegółowe informacje na temat projektowanych instalacji, ich parametrów technicznych oraz wymagań dotyczących montażu i eksploatacji. Dobrze przygotowana dokumentacja jest fundamentem dla realizacji projektu zgodnie z obowiązującymi normami i przepisami, co przekłada się na długofalową korzyść z inwestycji.
Projektant instalacji sanitarnych
Projektant instalacji sanitarnych to kluczowa postać w procesie projektowania i realizacji systemów sanitarnych. Osoba ta musi posiadać szeroką wiedzę i umiejętności w zakresie projektowania instalacji sanitarnych, a także doświadczenie w pracy z różnymi typami budynków i instalacji. Projektant instalacji sanitarnych odpowiada za stworzenie bezpiecznych, efektywnych i zgodnych z normami projektów, które zapewnią prawidłowe funkcjonowanie systemów przez wiele lat. Wybór doświadczonego projektanta jest gwarancją sukcesu każdej inwestycji w zakresie instalacji sanitarnych.
